Tie-rod hydraulic cylinders

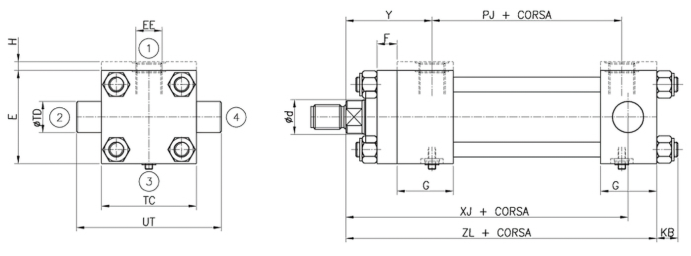
L mounting ISO MT2

L mounting ISO MT2
  • CD series: non-magnetic tie-rod hydraulic cylinder from Ø25 to Ø100;
  • MD series: magnetic tie-rod hydraulic cylinder from Ø25 to Ø100
  • DK series: large size tie-rod hydraulic cylinder from Ø125 to Ø200;
  • Rod endSTANDARD male thread, SF female thread, ST floating joint end;
  • Cylinder support: ISH ISO 8132.

CD - DK series L mounting ISO MT2
Bore 25 32 40 50 63 80 100 125 160 200
d (Ø rod) 12 14 18 22 28 36 45 56 70 90
d (Ø rod) - 18 22 28 36 45 56 70 90 110
d (Ø rod) 18 22 28 36 45 56 70 90 110 140
E 40 45 60 75 90 115 130 165 200 245
EE G1/4 G1/4 G3/8 G1/2 G1/2 G3/4 G3/4 G1 G1 G1 1/4
F 10 10 10 16 16 20 22 22 25 25
G 32 35.5 46 45 45 52 55 65 70 92
GA - - - - - - - 87 95 117
H 5 5 - - - - - - - -
KB 7 10 13 17 17 23 23 30 35 37
PJ + 49 47 58 61 64 77 78 117 130 165
TC 38 44 63 76 89 114 127 165 203 241
TD f8 12 16 20 25 32 40 50 63 80 100
UT 58 68 95 116 139 178 207 265 329 401
XJ + 95 109 131 136 146 165 177 214 227 271
Y 45 58 65 69 76 82 91 86 86 98
ZL + 114 128 153 159 168 190 203 232 245 299
CD - DK series
Discover all models
X mounting ISO MX5
X mounting ISO MX5
Find out more
T mounting ISO MX6
T mounting ISO MX6
Find out more
A mounting ISO ME5
A mounting ISO ME5
Find out more
B mounting ISO ME6
B mounting ISO ME6
Find out more
C mounting ISO MP3
C mounting ISO MP3
Find out more
M mounting ISO MP1
M mounting ISO MP1
Find out more
D mounting ISO MP5
D mounting ISO MP5
Find out more
E mounting ISO MS2
E mounting ISO MS2
Find out more
G mounting ISO MT1
G mounting ISO MT1
Find out more
H mounting ISO MT4
H mounting ISO MT4
Find out more
Q mounting ISO MX1
Q mounting ISO MX1
Find out more
R mounting ISO MX3
R mounting ISO MX3
Find out more
S mounting ISO MX2
S mounting ISO MX2
Find out more
Double rod X mounting ISO MX5 CD-MD series
Double rod X mounting ISO MX5 CD-MD series
Find out more
Double rod X mounting ISO MX5 DK series
Double rod X mounting ISO MX5 DK series
Find out more
Double rod A mounting ISO ME5
Double rod A mounting ISO ME5
Find out more
Double rod E mounting ISO MS2
Double rod E mounting ISO MS2
Find out more
Double rod G mounting ISO MT1
Double rod G mounting ISO MT1
Find out more
Double rod H mounting ISO MT4
Double rod H mounting ISO MT4
Find out more
Double rod Q mounting ISO MX1
Double rod Q mounting ISO MX1
Find out more
L mounting ISO MT2
Discover all accessories
Rod end CS
Rod end CS
Find out more
TS Rod end
TS Rod end
Find out more
CF Rod end
CF Rod end
Find out more
ISH Support
ISH Support
Find out more
Support CM
Support CM
Find out more
CSA Support
CSA Support
Find out more
CSB Support
CSB Support
Find out more
CTS Support
CTS Support
Find out more
PCS Support
PCS Support
Find out more
PTS Support
PTS Support
Find out more
KCS Support
KCS Support
Find out more
PP Support
PP Support
Find out more
Configurator icon
Create your cylinder with our
configurator