Short stroke compact hydraulic cylinders
Aluminium cylinder

Model E

Aluminium cylinder RT-MT Model E

Non-magnetic cylinder with lateral supply (RT) and magnetic (MT)

  • RT Series: non-magnetic compact hydraulic cylinder;
  • MT Series: magnetic compact hydraulic cylinder;
  • Rear supply with O-ring seal;
  • Supply through ducts on the machine body that transmit the pressurised fluid to the cylinder.
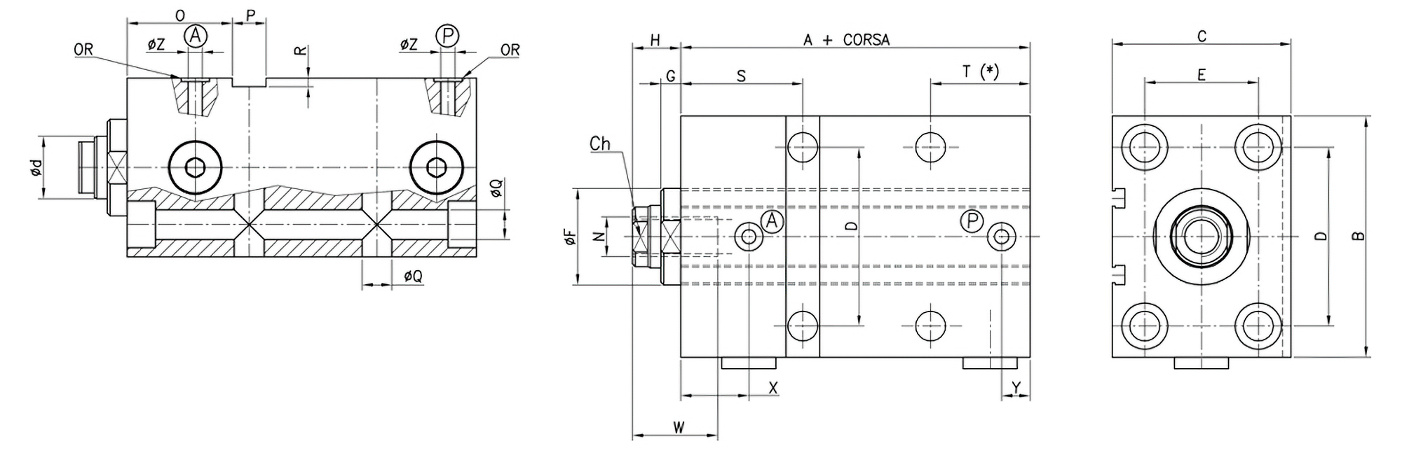
RT-MT Aluminium Series Model E

Technical data

Al. d A+ B C Ch D E F G H N O P Q R S T W X Y Z OR
25 18 57 65 45 14 50 30 30 6.5 14 M10 32 10 8.5 2 37 30 24 22 7 4 610 (106)
32 22 60 75 55 18 55 35 34 8 15 M12 34 12 10.5 3 40 30 24 22 7 4 610 (106)
40 22 73 85 63 18 63 40 34 7 17 M14 37 12 10.5 3 43 35 30 24 10 5 610 (106)
50 28 75 100 75 24 76 45 42 8 20 M20 37.5 15 13 5 45 35 35 25 10 5 610 (106)
63 28 85 115 90 24 90 55 50 7 20 M20 47.5 15 13 5 55 40 35 29 15 7 013 (2043)
80 36 100 140 110 32 110 75 60 7 20 M27 50 20 17 5 60 50 40 35 17 7 013 (2043)
100 45 110 170 140 40 135 95 72 8 25 M33 60 20 17 5 70 60 50 37 20 7 013 (2043)
RT-MT Aluminium Series
Discover all models
Model E
Discover all accessories
Threaded rod ends for Short stroke compact hydraulic cylinders
Threaded rod ends
Find out more
Configurator icon
Create your cylinder with our
configurator