Cilindri oleodinamici compatti a corsa breve
Cilindro in alluminio
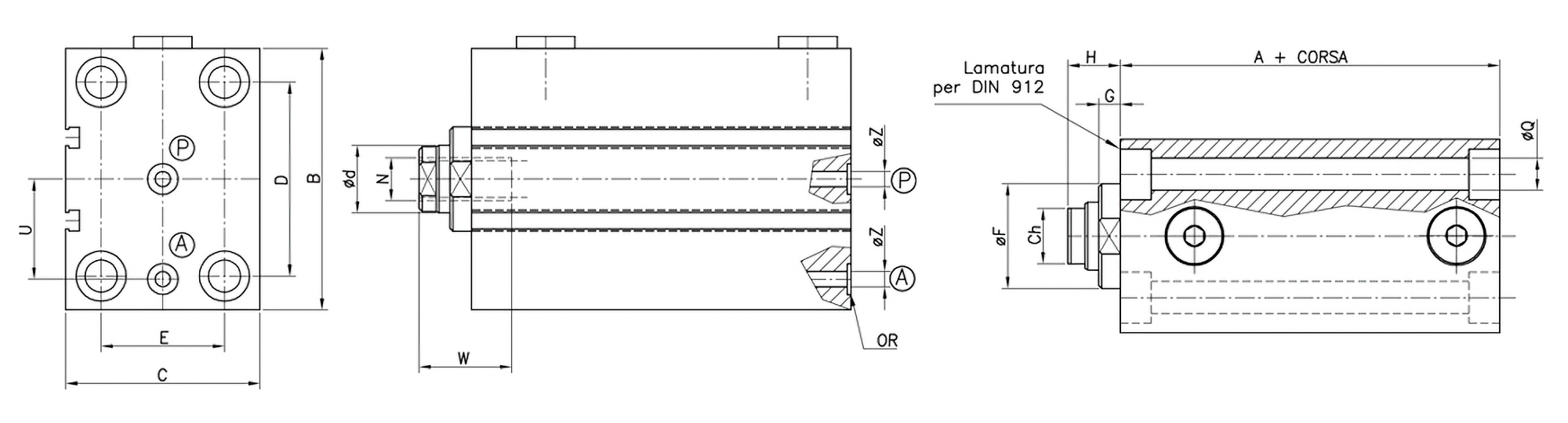
Modello B
Categorie
Cilindri
Cilindro alimentazione posteriore non magnetico (RT) e magnetico (MT)
- Serie RT: cilindro oleodinamico compatto non magnetico;
- Serie MT: cilindro oleodinamico compatto magnetico;
- Alimentazioni posteriori con anello o-ring di tenuta;
- Alimentazione tramite canalizzazioni ricavate sul corpo macchina che trasmettono il fluido in pressione al cilindro.
Serie RT-MT in Alluminio Modello B
Dati tecnici
| Al. | d | A+ | B | C | Ch | D | E | F | G | H | N | Q | U | W | Z | OR |
|---|---|---|---|---|---|---|---|---|---|---|---|---|---|---|---|---|
| 25 | 18 | 57 | 65 | 45 | 14 | 50 | 30 | 30 | 6.5 | 14 | M10 | 8.5 | 25.5 | 24 | 4 | 610 (106) |
| 32 | 22 | 60 | 75 | 55 | 18 | 55 | 35 | 34 | 8 | 15 | M12 | 10.5 | 30 | 24 | 4 | 610 (106) |
| 40 | 22 | 73 | 85 | 63 | 18 | 63 | 40 | 34 | 7 | 17 | M14 | 10.5 | 32.5 | 30 | 5 | 610 (106) |
| 50 | 28 | 75 | 100 | 75 | 24 | 76 | 45 | 42 | 8 | 20 | M20 | 13 | 40 | 35 | 5 | 610 (106) |
| 63 | 28 | 85 | 115 | 90 | 24 | 90 | 55 | 50 | 7 | 20 | M20 | 13 | 47.5 | 35 | 7 | 013 (2043) |
| 80 | 36 | 100 | 140 | 110 | 32 | 110 | 75 | 60 | 7 | 20 | M27 | 17 | 59 | 45 | 7 | 013 (2043) |
| 100 | 45 | 110 | 170 | 140 | 40 | 135 | 95 | 72 | 8 | 25 | M33 | 17 | 70 | 55 | 7 | 013 (2043) |
Serie RT-MT in Alluminio
Scopri tutti i modelli
Modello B
Scopri gli accessori