Cilindri oleodinamici a tiranti

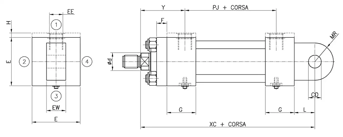
C ancoraggio ISO MP3

C ancoraggio ISO MP3
  • Serie CD: cilindro oleodinamico a tiranti non magnetico da Ø25 a Ø100;
  • Serie MD: cilindro oleodinamico a tiranti magnetico da Ø25 a Ø100;
  • Serie DK: cilindro oleodinamico a tiranti grandi dimensioni da Ø125 a Ø200;
  • Estremità dello stelo: STANDARD filetto maschio, SF filetto femmina, ST terminale con testa a martello.

Serie CD-DK C ancoraggio ISO MP3
Alesaggio 25 32 40 50 63 80 100 125 160 200
d (Ø stelo) 12 14 18 22 28 36 45 56 70 90
d (Ø stelo) - 18 22 28 36 45 56 70 90 110
d (Ø stelo) 18 22 28 36 45 56 70 90 110 140
CD 10 12 14 20 20 28 36 45 56 70
E 40 45 60 75 90 115 130 165 200 245
EE G1/4 G1/4 G3/8 G1/2 G1/2 G3/4 G3/4 G1 G1 G1 1/4
EW 12 16 20 30 30 40 50 60 70 80
F 10 10 10 16 16 20 22 22 25 25
G 32 35.5 46 45 45 52 55 65 70 92
GA - - - - - - - 87 95 117
H 5 5 - - - - - - - -
L 13 19 19 32 32 39 54 57 63 82
MR max 12 17 17 29 29 34 50 53 59 78
PJ + 49 47 58 61 64 77 78 117 130 165
XC + 127 147 172 191 200 229 257 289 308 381
Y 45 58 65 69 76 82 91 86 86 98
Serie CD-DK
Scopri tutti i modelli
X ancoraggio ISO MX5
X ancoraggio ISO MX5
Scopri di più
T ancoraggio ISO MX6
T ancoraggio ISO MX6
Scopri di più
A ancoraggio ISO ME5
A ancoraggio ISO ME5
Scopri di più
B ancoraggio ISO ME6
B ancoraggio ISO ME6
Scopri di più
M ancoraggio ISO MP1
M ancoraggio ISO MP1
Scopri di più
D ancoraggio ISO MP5
D ancoraggio ISO MP5
Scopri di più
E ancoraggio ISO MS2
E ancoraggio ISO MS2
Scopri di più
G ancoraggio ISO MT1
G ancoraggio ISO MT1
Scopri di più
L ancoraggio ISO MT2
L ancoraggio ISO MT2
Scopri di più
H ancoraggio ISO MT4
H ancoraggio ISO MT4
Scopri di più
Q ancoraggio ISO MX1
Q ancoraggio ISO MX1
Scopri di più
R ancoraggio ISO MX3
R ancoraggio ISO MX3
Scopri di più
S ancoraggio ISO MX2
S ancoraggio ISO MX2
Scopri di più
X ancoraggio doppio stelo ISO MX5 serie CD-MD
X ancoraggio doppio stelo ISO MX5 serie CD-MD
Scopri di più
X ancoraggio doppio stelo ISO MX5 serie DK
X ancoraggio doppio stelo ISO MX5 serie DK
Scopri di più
A ancoraggio doppio stelo ISO ME5
A ancoraggio doppio stelo ISO ME5
Scopri di più
E ancoraggio doppio stelo ISO MS2
E ancoraggio doppio stelo ISO MS2
Scopri di più
G ancoraggio doppio stelo ISO MT1
G ancoraggio doppio stelo ISO MT1
Scopri di più
H ancoraggio doppio stelo ISO MT4
H ancoraggio doppio stelo ISO MT4
Scopri di più
Q ancoraggio doppio stelo ISO MX1
Q ancoraggio doppio stelo ISO MX1
Scopri di più
C ancoraggio ISO MP3
Scopri gli accessori
Terminale CS
Terminale CS
Scopri di più
Terminale TS
Terminale TS
Scopri di più
Terminale CF
Terminale CF
Scopri di più
Supporto ISH
Supporto ISH
Scopri di più
Supporto CM
Supporto CM
Scopri di più
Supporto CSA
Supporto CSA
Scopri di più
Supporto CSB
Supporto CSB
Scopri di più
Supporto CTS
Supporto CTS
Scopri di più
Supporto PCS
Supporto PCS
Scopri di più
Supporto PTS
Supporto PTS
Scopri di più
Supporto KCS
Supporto KCS
Scopri di più
Supporto PP
Supporto PP
Scopri di più
Icona configuratore
Crea il tuo cilindro con il nostro
configuratore