Cilindri oleodinamici a tiranti
Terminale con snodo sferico ISO 6982

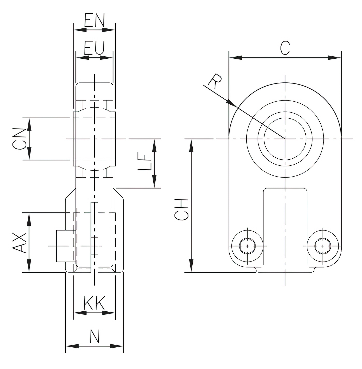
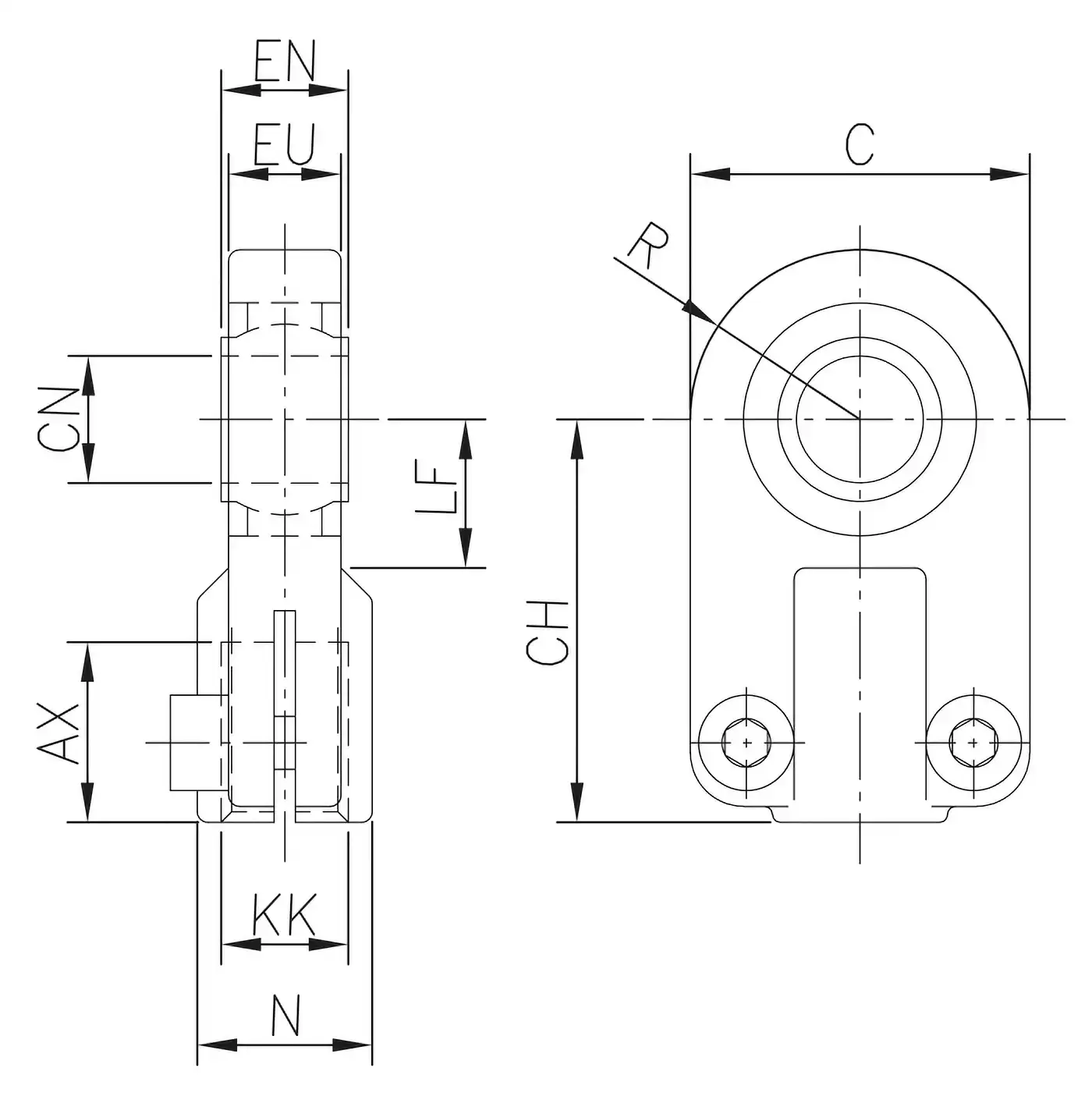
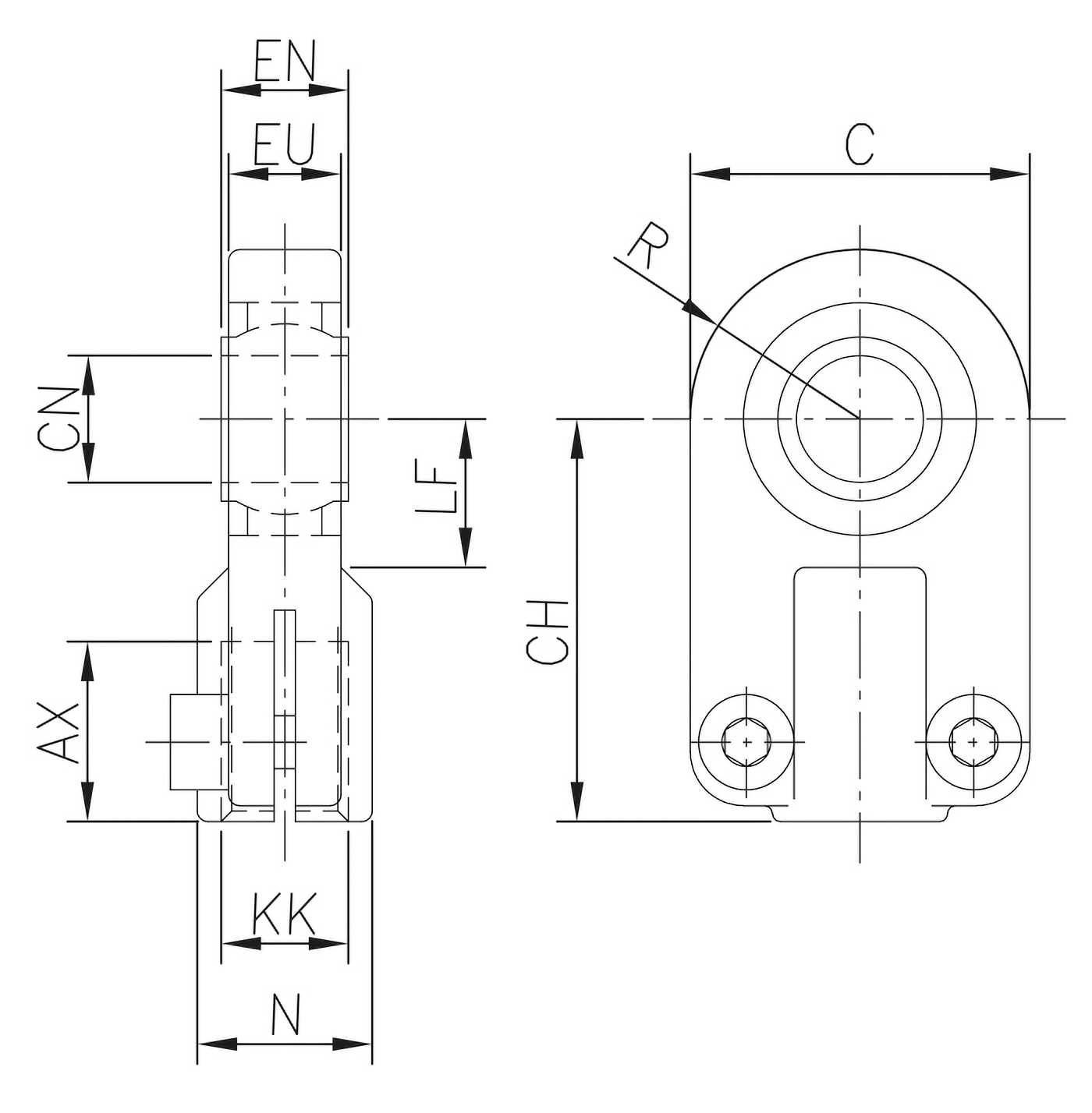
Terminale CS

Terminale CS

Accessori Terminale CS
Modello CS12125 CS1415 CS1615 CS2015 CS272 CS332 CS422 CS482 CS643 CS803 CS1003
AX 17 19 23 29 37 46 57 64 86 96 113
C 32 40 47 58 70 89 108 132 168 212 264
CH 38 44 52 65 80 97 120 140 180 210 260
CN 12 16 20 25 32 40 50 63 80 100 125
EN 12 16 20 25 32 40 50 63 80 100 125
EU 10.05 13 17 21 27 32 40 52 66 85 103
KK M12x1,25 M14x1,5 M16x1,5 M20x1,5 M27x2 M33x2 M42x2 M48x2 M64x3 M80x3 M100x3
LF 14 18 22 27 32 41 50 62 78 98 120
N 16 21 25 30 38 47 58 70 90 110 135
R 16 20 24 29 35 40 54 66 84 106 132
Forza Statica (kN) 24.5 36.5 48 78 114 204 310 430 695 1060 1430
Forza Dinamica (kN) 10.5 17.5 30 48 67 100 156 255 400 610 950
Serie CD-DK
Scopri tutti i modelli
X ancoraggio ISO MX5
X ancoraggio ISO MX5
Scopri di più
T ancoraggio ISO MX6
T ancoraggio ISO MX6
Scopri di più
A ancoraggio ISO ME5
A ancoraggio ISO ME5
Scopri di più
B ancoraggio ISO ME6
B ancoraggio ISO ME6
Scopri di più
C ancoraggio ISO MP3
C ancoraggio ISO MP3
Scopri di più
M ancoraggio ISO MP1
M ancoraggio ISO MP1
Scopri di più
D ancoraggio ISO MP5
D ancoraggio ISO MP5
Scopri di più
E ancoraggio ISO MS2
E ancoraggio ISO MS2
Scopri di più
G ancoraggio ISO MT1
G ancoraggio ISO MT1
Scopri di più
L ancoraggio ISO MT2
L ancoraggio ISO MT2
Scopri di più
H ancoraggio ISO MT4
H ancoraggio ISO MT4
Scopri di più
Q ancoraggio ISO MX1
Q ancoraggio ISO MX1
Scopri di più
R ancoraggio ISO MX3
R ancoraggio ISO MX3
Scopri di più
S ancoraggio ISO MX2
S ancoraggio ISO MX2
Scopri di più
X ancoraggio doppio stelo ISO MX5 serie CD-MD
X ancoraggio doppio stelo ISO MX5 serie CD-MD
Scopri di più
X ancoraggio doppio stelo ISO MX5 serie DK
X ancoraggio doppio stelo ISO MX5 serie DK
Scopri di più
A ancoraggio doppio stelo ISO ME5
A ancoraggio doppio stelo ISO ME5
Scopri di più
E ancoraggio doppio stelo ISO MS2
E ancoraggio doppio stelo ISO MS2
Scopri di più
G ancoraggio doppio stelo ISO MT1
G ancoraggio doppio stelo ISO MT1
Scopri di più
H ancoraggio doppio stelo ISO MT4
H ancoraggio doppio stelo ISO MT4
Scopri di più
Q ancoraggio doppio stelo ISO MX1
Q ancoraggio doppio stelo ISO MX1
Scopri di più
Terminale CS
Scopri gli accessori
Terminale CS
Terminale CS
Scopri di più
Terminale TS
Terminale TS
Scopri di più
Terminale CF
Terminale CF
Scopri di più
Supporto ISH
Supporto ISH
Scopri di più
Supporto CM
Supporto CM
Scopri di più
Supporto CSA
Supporto CSA
Scopri di più
Supporto CSB
Supporto CSB
Scopri di più
Supporto CTS
Supporto CTS
Scopri di più
Supporto PCS
Supporto PCS
Scopri di più
Supporto PTS
Supporto PTS
Scopri di più
Supporto KCS
Supporto KCS
Scopri di più
Supporto PP
Supporto PP
Scopri di più
Icona configuratore
Crea il tuo cilindro con il nostro
configuratore