Cilindri oleodinamici a tiranti

Supporto PCS

Supporto PCS

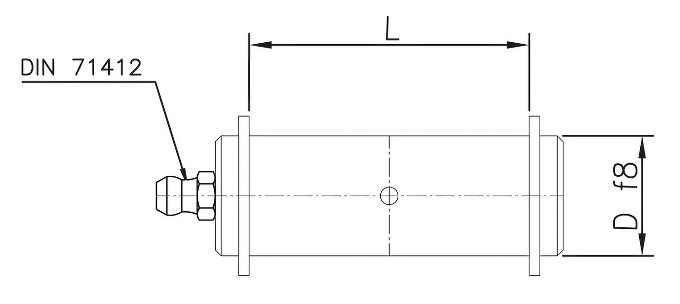
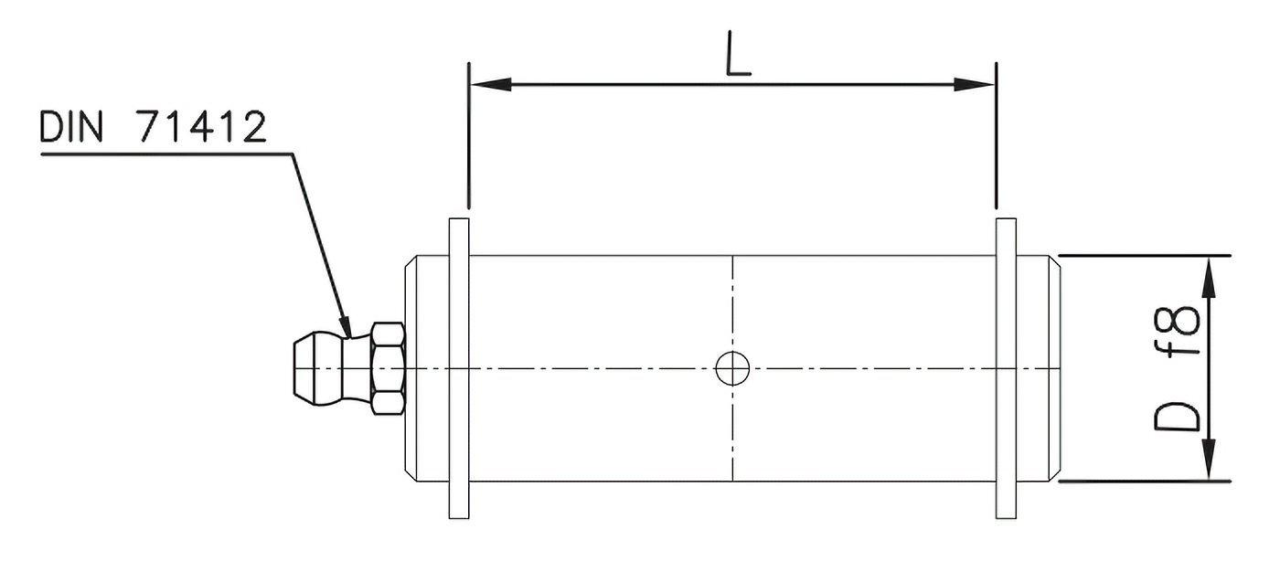
Perno da utilizzare su supporti CSA e CSB

Accessori Supporto PCS
Modello - PCS010 PCS012 PCS016 PCS020 PCS025 PCS032 PCS040 PCS050 PCS063 PCS080
D (f8) [mm] 10 12 16 20 25 32 40 50 63 80
L [mm] 25 29 37 46 57 72 92 112 142 172
Forza Nominale [kN] 5 8 12.5 20 32 50 80 125 200 320
Serie CD-DK
Scopri tutti i modelli
X ancoraggio ISO MX5
X ancoraggio ISO MX5
Scopri di più
T ancoraggio ISO MX6
T ancoraggio ISO MX6
Scopri di più
A ancoraggio ISO ME5
A ancoraggio ISO ME5
Scopri di più
B ancoraggio ISO ME6
B ancoraggio ISO ME6
Scopri di più
C ancoraggio ISO MP3
C ancoraggio ISO MP3
Scopri di più
M ancoraggio ISO MP1
M ancoraggio ISO MP1
Scopri di più
D ancoraggio ISO MP5
D ancoraggio ISO MP5
Scopri di più
E ancoraggio ISO MS2
E ancoraggio ISO MS2
Scopri di più
G ancoraggio ISO MT1
G ancoraggio ISO MT1
Scopri di più
L ancoraggio ISO MT2
L ancoraggio ISO MT2
Scopri di più
H ancoraggio ISO MT4
H ancoraggio ISO MT4
Scopri di più
Q ancoraggio ISO MX1
Q ancoraggio ISO MX1
Scopri di più
R ancoraggio ISO MX3
R ancoraggio ISO MX3
Scopri di più
S ancoraggio ISO MX2
S ancoraggio ISO MX2
Scopri di più
X ancoraggio doppio stelo ISO MX5 serie CD-MD
X ancoraggio doppio stelo ISO MX5 serie CD-MD
Scopri di più
X ancoraggio doppio stelo ISO MX5 serie DK
X ancoraggio doppio stelo ISO MX5 serie DK
Scopri di più
A ancoraggio doppio stelo ISO ME5
A ancoraggio doppio stelo ISO ME5
Scopri di più
E ancoraggio doppio stelo ISO MS2
E ancoraggio doppio stelo ISO MS2
Scopri di più
G ancoraggio doppio stelo ISO MT1
G ancoraggio doppio stelo ISO MT1
Scopri di più
H ancoraggio doppio stelo ISO MT4
H ancoraggio doppio stelo ISO MT4
Scopri di più
Q ancoraggio doppio stelo ISO MX1
Q ancoraggio doppio stelo ISO MX1
Scopri di più
Supporto PCS
Scopri gli accessori
Terminale CS
Terminale CS
Scopri di più
Terminale TS
Terminale TS
Scopri di più
Terminale CF
Terminale CF
Scopri di più
Supporto ISH
Supporto ISH
Scopri di più
Supporto CM
Supporto CM
Scopri di più
Supporto CSA
Supporto CSA
Scopri di più
Supporto CSB
Supporto CSB
Scopri di più
Supporto CTS
Supporto CTS
Scopri di più
Supporto PCS
Supporto PCS
Scopri di più
Supporto PTS
Supporto PTS
Scopri di più
Supporto KCS
Supporto KCS
Scopri di più
Supporto PP
Supporto PP
Scopri di più
Icona configuratore
Crea il tuo cilindro con il nostro
configuratore