Cilindri oleodinamici a tiranti

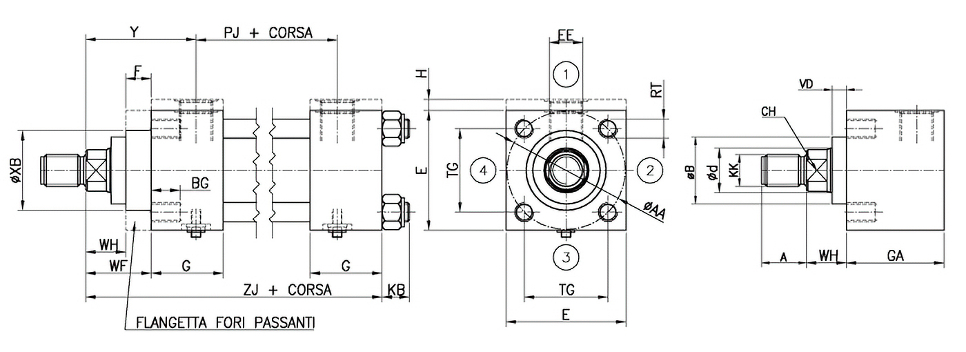
X ancoraggio ISO MX5

X ancoraggio ISO MX5
  • Serie CD: cilindro oleodinamico a tirantinon magnetico da Ø25 a Ø100;
  • Serie MD: cilindro oleodinamico a tiranti magnetico da Ø25 a Ø100;
  • Serie DK: cilindro oleodinamico a tiranti grandi dimensioni da Ø25 a Ø100;
  • Estremità dello stelo: STANDARD filetto maschio, SF filetto femmina, ST terminale con testa a martello.

Serie CD-DK X ancoraggio ISO MX5
Alesaggio 25 32 40 50 63 80 100 125 160 200
d (Ø stelo) 12 14 18 22 28 36 45 56 70 90
d (Ø stelo) - 18 22 28 36 45 56 70 90 110
d (Ø stelo) 18 22 28 36 45 56 70 90 110 140
AA 40 47 59 74 91 117 137 178 219 269
BG 12 15 16 18 18 24 24 30 35 40
E 40 45 60 75 90 115 130 165 200 245
EE G1/4 G1/4 G3/8 G1/2 G1/2 G3/4 G3/4 G1 G1 G1 1/4
F 10 10 10 16 16 20 22 - - -
G 32 35.5 46 45 45 52 55 65 70 92
GA - - - - - - - 87 95 117
H 5 5 - - - - - - - -
KB 7 10 13 17 17 23 23 30 35 37
PJ + 49 47 58 61 64 77 78 117 130 165
RT M5 M6 M8 M12 M12 M16 M16 M22 M27 M30
TG 28.3 33.2 41.7 52.3 64.3 82.7 96.9 125.9 154.9 190.2
WF 25 35 35 41 48 51 57 - - -
WH 15 25 25 25 32 31 35 35 32 32
XB f 9 30 34 42 50 60 72 88 - - -
Y 45 58 65 69 76 82 91 86 86 98
ZJ + 114 128 153 159 168 190 203 232 245 299
Pistone 25 25 25 32 32 32 40 40 40 50 50 50 63 63 63
Stelo 12 - 18 14 18 22 18 22 28 22 28 36 28 36 45
B f9 24 - 30 26 30 34 30 34 42 34 42 50 42 50 60
VD 6 6 6 12 12 12 12 12 12 9 9 9 13 13 13
Pistone 80 80 80 100 100 100 125 125 125 160 160 160 200 200 200
Stelo 36 45 56 45 56 70 56 70 90 70 90 110 90 110 140
B f9 50 60 72 60 72 88 72 88 108 88 108 133 108 133 163
VD 9 9 9 10 10 10 10 10 10 7 7 7 7 7 7
Serie CD-DK
Scopri tutti i modelli
T ancoraggio ISO MX6
T ancoraggio ISO MX6
Scopri di più
A ancoraggio ISO ME5
A ancoraggio ISO ME5
Scopri di più
B ancoraggio ISO ME6
B ancoraggio ISO ME6
Scopri di più
C ancoraggio ISO MP3
C ancoraggio ISO MP3
Scopri di più
M ancoraggio ISO MP1
M ancoraggio ISO MP1
Scopri di più
D ancoraggio ISO MP5
D ancoraggio ISO MP5
Scopri di più
E ancoraggio ISO MS2
E ancoraggio ISO MS2
Scopri di più
G ancoraggio ISO MT1
G ancoraggio ISO MT1
Scopri di più
L ancoraggio ISO MT2
L ancoraggio ISO MT2
Scopri di più
H ancoraggio ISO MT4
H ancoraggio ISO MT4
Scopri di più
Q ancoraggio ISO MX1
Q ancoraggio ISO MX1
Scopri di più
R ancoraggio ISO MX3
R ancoraggio ISO MX3
Scopri di più
S ancoraggio ISO MX2
S ancoraggio ISO MX2
Scopri di più
X ancoraggio doppio stelo ISO MX5 serie CD-MD
X ancoraggio doppio stelo ISO MX5 serie CD-MD
Scopri di più
X ancoraggio doppio stelo ISO MX5 serie DK
X ancoraggio doppio stelo ISO MX5 serie DK
Scopri di più
A ancoraggio doppio stelo ISO ME5
A ancoraggio doppio stelo ISO ME5
Scopri di più
E ancoraggio doppio stelo ISO MS2
E ancoraggio doppio stelo ISO MS2
Scopri di più
G ancoraggio doppio stelo ISO MT1
G ancoraggio doppio stelo ISO MT1
Scopri di più
H ancoraggio doppio stelo ISO MT4
H ancoraggio doppio stelo ISO MT4
Scopri di più
Q ancoraggio doppio stelo ISO MX1
Q ancoraggio doppio stelo ISO MX1
Scopri di più
X ancoraggio ISO MX5
Scopri gli accessori
Terminale CS
Terminale CS
Scopri di più
Terminale TS
Terminale TS
Scopri di più
Terminale CF
Terminale CF
Scopri di più
Supporto ISH
Supporto ISH
Scopri di più
Supporto CM
Supporto CM
Scopri di più
Supporto CSA
Supporto CSA
Scopri di più
Supporto CSB
Supporto CSB
Scopri di più
Supporto CTS
Supporto CTS
Scopri di più
Supporto PCS
Supporto PCS
Scopri di più
Supporto PTS
Supporto PTS
Scopri di più
Supporto KCS
Supporto KCS
Scopri di più
Supporto PP
Supporto PP
Scopri di più
Icona configuratore
Crea il tuo cilindro con il nostro
configuratore